История автомобиля
Начало 1970-х годов ознаменовало «большую стройку» в СССР. Исходя из этого, были необходимы качественные машины, которые были бы способны функционировать долгий промежуток времени, невзирая на большие нагрузки. Поэтому начали разрабатывать модель грузового самосвала для строительных площадок. Машина разнилась от аналогичных моделей нестандартным для прочих отечественных машин ярко-желтым окрашиванием.

Грузовая машина являлась прочной трехосной конструкцией, какая обладая колесной формулой 6х4. КамАЗ 5511 самосвал выделяла увеличенная грузоподъемность, отличная проходимость и многофункциональность. Модель 5511 шла для перевозок разнообразного груза (куда можно отнести и сыпучие) по различному дорожному покрытию.
Наличие главных деталей и узлов позволило их унифицировать вместе с другими деталями прочих продуктов автомобильного завода в Набережных Челнах. Вдобавок ко всему, данный автомобиль смог приобрести самую современную техническую компоновку тех времен. Например, можно выделить наличие фар с асимметричным лучом освещения, что позволяло сократить шанс встречных автомобилей быть ослепленным.
Устройство
В основе шасси лежит стальная рама, состоящая из штампованных элементов. Боковые лонжероны имеют переменное сечение по длине, что обеспечивает прочность и снижает вес автомобиля. На передней части рамы установлен V-образный турбодизель КамАЗ-740-31. В схему наддува входят 2 нагнетателя, каждый из которых обслуживает свой ряд цилиндров. Поздние версии машины оснащены мотором 740-662, отличающимся установкой радиатора для охлаждения сжатого воздуха.
Вездеход 6х6 оснащается 10-скоростной синхронизированной коробкой передач. Картер коробки жестко соединен с блоком цилиндров двигателя через корпус сцепления. В состав муфты входят 2 диска сухого трения, разъединение выполняется гидравлическим приводом. В схеме управления сцеплением имеется пневматический усилитель.
При установке гидроманипулятора на боковую часть коробки передач монтируется специальный редуктор отбора мощности, служащий для привода насосной станции. На машине применяется гидравлический распределитель с клапанами золотникового типа, необходимый для управления погрузочным устройством. Подобную конструкцию имеет сортиментовоз КамАЗ 53228, используемый в качестве лесовоза.

Трансмиссия дополнена 2-скоростным раздаточным редуктором, распределяющим крутящий момент между передним мостом и задней тележкой. В редукторе установлен межосевой дифференциал, оборудованный блокиратором с пневматическим управлением. Завод поставляет грузовики с 3 вариантами передаточных отношений главной пары ведущих мостов. На шасси установлены покрышки с дорожным рисунком. Задние мосты оборудованы сдвоенными колесами.
Балансирная тележка задних мостов оснащена полуэллиптическими рессорами и реактивными штангами с подвижными точками крепления. Тормоза барабанной схемы, оборудованы пневматическим приводом. В конструкции имеется автоматический регулятор зазора.
Грузовое шасси построено по традиционной для КамАЗ схеме с расположением кабины над силовым агрегатом. Для машины предлагались 2 варианта короткой кабины — со стандартной высотой и с увеличенной крышей. Версии со спальным местом заводом производятся по отдельному требованию заказчика. Кабины оснащаются раздельными сидениями для водителя и пассажира.
Габаритные размеры
Шасси поставляется с 3 вариантами межосевого расстояния (между передним и средним мостом):
- 3340 мм (базовый вариант);
- 3690 мм;
- 4100 мм.

Основные параметры техники:
- радиус поворота (максимальный, по внешнему габариту) — 11300 мм
- снаряженная масса шасси — 8280 кг;
- вес надстройки — 6000 кг;
- максимальный вес автомобиля (с прицепом) — 24000 кг;
- длина (в зависимости от базы) — 7415-8900 мм;
- высота (до верхней точки воздухозаборника, расположенного за кабиной) — 3310 мм.
Весовые показатели и нагрузки (базовая версия):
- снаряженная масса – 8320 кг;
- нагрузка на переднюю ось – 4185 кг;
- нагрузка на заднюю часть – 4135 кг;
- полная масса – 24500 кг;
- нагрузка на переднюю ось – 600 кг;
- нагрузка на заднюю часть – 18500 кг;
- предельная масса надстройки с грузом – 16030 кг.

Грузоподъемность автомобиля составляет 16030, 16070 и 15650 кг в зависимости от длины колесной базы.
Максимальная скорость – 80 км/час, угол преодолеваемого подъема – 31%.
Размер базовых шин – 11.00 R20 (300 R508).
Технические и эксплуатационные характеристики КамАЗ-53212
Габаритные размеры и весовые характеристики
- Длина бортового грузовика: 8 530 миллиметров;
- Ширина по зеркалам: 2 900 мм, со сложенными внешними зеркалами – 2 500 мм;
- Высота по кабине: 2 630 мм, по трубе воздухозаборника – 2 830 мм;
- Клиренс автомобиля 6 280 мм;
- Габаритный радиус поворота: 9,8 метра;
- Общая масса снаряженного автомобиля: 8 200 кг;
- Грузоподъемность: 10 тонн;
- Максимальная грузоподъемность КамАЗ-53212 с полуприцепом: 20 тонн;
- Объем платформы: 39 м3;
- Объем платформы с полуприцепом: 64 м3;
- Максимальный преодолеваемый подъем: 30%;
- Максимальная скорость по паспорту: 90 км/час.

Силовой агрегат и расход топлива КамАЗ-53212
Основным двигателем для этой модели является отечественный турбодизель КамАЗ 740.10.210, автомобили более поздних годов выпуска приводились в движение мотором КамАЗ-740.11.
КамАЗ 740.10. По своей конструкции это восьмицилиндровый дизель с V-образным расположением цилиндров. Мотор оборудован двумя компрессорами, имеет систему турбонаддува и механизм принудительного охлаждения наддувочного воздуха. Рабочий объем двигателя равен 10,86 литрам, при скорости коленчатого вала 2 600 об/минуту, он развивает мощность до 210 лошадиных сил. Турбодизель оборудовался встроенным индикатором засоренности воздушного фильтра и предпусковым подогревателем топлива. Эти опции доступны даже в базовой комплектации.

КамАЗ-740.10.
Советуем быть внимательным при покупке автомобиля, оборудованного мотором КамАЗ 740.10. Дело в том, что по экологическим параметрам этот двигатель соответствует стандартам Евро 1. В некоторых регионах России, Украины и других постсоветских стран запрещается эксплуатация автомобилей, оснащенных подобными моторами.
КамАЗ-740.11.240. Имеет схожие характеристики с предыдущим силовым агрегатом, благодаря измененным настройкам, развивает мощность до 240 лошадиных сил. Также отличается низкой экологичностью, уровень выбросов вредных веществ в атмосферу соответствует стандарту Евро 1.

При детальном изучении характеристик КамАЗ-53212, нельзя не отметить довольно низкий расход топлива этого автомобиля: всего 27 литров на 100 километров пути. В реальных условиях, при исправном автомобиле, потребление горячего не на много отличается от заявленной нормы. В базовой комплектации грузовик поставляется с топливным баком, объемом 250 литров.
Трансмиссия и схема электрооборудования КамАЗ-53212
Двигатель работает со стандартной десятиступенчатой коробкой переключения передач КамАЗ-15. Эта механическая КПП имеет пять ступеней, но за счет наличия двух ступенчатого редуктора-делителя мы получаем 10 передних и две задние скорости. Отметим, что II, III, IV и V передачи оснащены синхронизатором, также синхронизатор установлен на делителе. Управление коробкой происходит дистанционно из кабины водителя при помощи качающегося рычага.
Напряжение в сети КамАЗ-53212 24 Вольта, проводка — однодротовая. Все электрические схемы и электроприборы питаются от двух 12-вольтных аккумуляторов по 190 А/часов. Автомобиль оборудован 28-вольтовым генератором, также предусмотрено наличие преобразователя напряжения, который находится в кабине водителя.
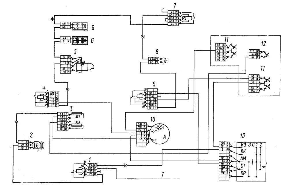
Схема электропроводки бортового грузовика КамАЗ-53212:

1 – реле отключения обмотки возбуждения генератора; 2 – генератор; 3 – блок предохранителей; 4 – реле стартера; 5 – стартер; 6 – батареи аккумуляторные; 7 – выключатель «массы»; 8 – кнопка дистанционного выключателя «массы» аккумуляторных батарей; 9 – реле электродвигателей отопителя; 10 – амперметр; 11 – предохранители 13.3722 (7.5 А); 12 – предохранитель ПР310 (10 А); 13 – выключатель приборов и стартера; I – к термореле ЭФУ.
Тормоза и подвеска КамАЗ-53212
Грузовик оборудован основной тормозной системой барабанного типа, которая обеспечивает достаточную безопасность движения по дорогам общего назначения и в городских условиях. На каждом колесе машины установлен барабан, диаметром 400 миллиметров, ширина тормозных накладок – 140 мм, общая площадь – 6 300 см3. С целью повышения безопасности на КамАЗ-53212 установлен вспомогательный, резервный и стояночный тормоз, работающий на пружинных энергоаккумуляторах. Помимо прочего, автомобиль оборудован пневматической системой экстренного растормаживания.

Конструкция подвески КамАЗ-53212 – рамная, усиленная двумя продольными лонжеронами с поперечными балками. Передняя подвеска – рессорная с гидравлическими амортизаторами телескопического вида. Задняя подвеска имеет схожую конструкцию, однако отличается увеличенным количеством рессор.
История создания
В отличие от трехосных собратьев, КамАЗ-4326 оснащался раздаткой с симметричным дифференциалом и пятиступенчатой коробкой передач. Для данной модели больше бы подошла десятиступенчатая КП, однако мощности завода, производившего в те годы свыше сотни тысяч большегрузов в год, не позволяли наладить их выпуск.
Разработка грузовика была завершена в конце восьмидесятых, однако приснопамятная перестройка и последующий развал страны не позволили тогда заводчанам поставить его на конвейер. Первую промышленную партию КамАЗ 4326 удалось произвести лишь в 1995 году.
К этому времени в его конструкцию были внесены некоторые изменения. Так, грузовик получил новый дизельный двигатель мощностью 240 лошадей с системой турбонаддува. Большинство узлов и агрегатов двухосника были унифицированы с новой военной моделью КамАЗ 43114 с колесной формулой 6×6.
Грузовик комплектовался цельнометаллической бортовой платформой с откидывающимися бортами. В различных комплектациях платформа может быть оборудована трубчатым каркасом, брезентовым тентом и скамейками. Размеры грузовой платформы — 4800×2320 мм.
Примечательно, что на базе двухосного КамАЗ 4326 был разработан специальный бронеавтомобиль БПМ – 97 «Выстрел». Позже на заводе в Набережных Челнах наладили выпуск модификации с укороченной до 3670 мм. колесной базой.
По спецзаказу ФСБ России заводчане также изготовили два экземпляра КамАЗ 4326 двойного назначения в специальной комплектации. В суровых условиях эксплуатации за два месяца грузовики совершили пробег свыше 10 тысяч километров.Водители и техперсонал Северо-Кавказского погрануправления, в котором проходили испытания автомобили, отметили высокие эксплуатационные качества грузовиков.
Легкость управления, высокая маневренность, мощный двигатель, позволяющий без проблем преодолевать затяжные подъемы, уверенное поведение в экстремальных дорожных условиях, плавный ход – все это выгодно отличали КамАЗ от аналогов, выпускаемых на автозаводах России и СНГ.

Салон кабины
Данная модель обладает подрессоренной кабиной, которая закрепляется на раме. Кабина КамАЗ 5511 рассчитывалась на пару человек. Ее можно откидывать вперед при помощи торсионного устройства, что весьма удобно, дабы производить уход и техническое обслуживание за силовым агрегатом. Стекла триплексного типа можно опускать и подымать, а форточки поворачивать.

Пол вместе со стеной покрыли шумовым и теплоизоляционным материалом. Не забыли обеспечить кабину отоплением и вентиляцией. Кабина позже смогла получить небольшие перемены, например, стояло 3-х слойное стекло с дополнительной защитой от повреждения.
Также улучшили сидение водителя, что позволило настраивать его, учитывая рост и вес каждого отдельного водителя. Кабина также получила высокую крышу. Автомобиль был предназначен для пригородных перевозок, поэтому не имел спальное место.
Трансмиссия, рулевое управление и подвеска
Автомобиль оснащен однодисковым сцеплением, которое оборудовано пневмогидравлическим усилителем, что значительно увеличивает комфорт при управлении грузовиком. На КамАЗ 5350 установлена «родная» механическая пятиступенчатая коробка передач с двухступенчатым делителем, благодаря которому количество скоростей увеличивается до десяти – вперед и двух – назад.
КамАЗ 5350 смонтирован на зависимой подвеске, передний мост имеет полуовальные рессоры с жестким креплением на лонжеронах и гидроамортизаторы. Плавность движения задних осей обеспечивают продольные рессоры и амортизаторы. Подвеска сконструирована таким образом, чтобы автомобиль испытывал как можно меньший крен, при наезде одним колесом на препятствие.
Балансирная подвеска КамАЗ 5350
На КамАЗ 5350 установлено рулевой механизм реечного типа с гидроусилителем, который значительно облегчает усилие, прилагаемое на рулевое колесо.
Тормоза автомобиля состоят из четырех независимых систем: рабочей, запасной, вспомогательной и стояночной. Они имеют общие узлы, но функционируют независимо друг от друга. Каждое колесо оснащено мощным барабанным тормозом, который способен удержать грузовик на любом склоне. Также здесь имеет механизм растормаживания, предназначенный для возобновления движения при разрыве пневмотрубки и утечке воздуха.
Подробную информацию, технические характеристики можно найти здесь:
| Колесная формула | 6х6 |
| Масса перевозимого груза1) 2), кг | 7400 |
| Технически допустимая максимальная масса транспортного средства2), кг | 17000 |
| Техническая допустимая максимальная масса буксируемого прицепа, кг | 12000 |
| Техническая допустимая максимальная масса автопоезда, кг | 29000 |
| Двигатель | КАМАЗ-740.622-280 Cummins ISB 6.7 Е5 285 |
| Максимальный подъем, преодолеваемый, %, не менее: | |
| 60 (31º) | |
| 36 (20º) | |
| Колеса дисковые | 310-533 |
| Шины | 425/85 R21 |
Бортовий автомобіль КАМАЗ 5350
Таблица дополнительных технических характеристик Камаз 5350
| Эксплуатационные данные | Модель 5350 | |
| автомобиль | шасси | |
| Технически допустимая максимальная масса транспортного средства, кг, приходящаяся на: | ось 1 | 5600; 50001) |
| ось 2 | 11400; 86001) | |
| Максимальная скорость движения2) 3), км/ч, не менее | автомобиля | 100, 904) |
| автопоезда | 80 | |
| Контрольный расход топлива5) на 100 км пути при движении со скоростью 60 км/ч, л, не более | автомобиля | 27,06); 25,07) |
| автопоезда | 36,56); 36,07) | |
| Запас хода2) по контрольному расходу топлива8), км, не менее | автомобиля | 1550 |
| автопоезда | 1150 | |
| Время разгона2) до 60 км/ч, с, не более | автомобиля | 30 |
| автопоезда | 636); 507) | |
| Тормозной путь2) при испытаниях «Тип-0» (с отсоединенным двигателем) со скорости 60 км/ч, м, не более | автомобиля | 36,7 |
| То же, при применении запасной тормозной сиcтемы со скорости 40 км/ч, не более | автомобиля | 33,8 |
| Внешний габаритный радиус поворота автомобиля по переднему буферу, м, не более | 11,79); 12,210); 1311) | |
| Вместимость топливных баков12), л | 210+210 | |
| 1) Для шасси и их исполнений с задней пневмоподвеской. 2) Для транспортного средства технически допустимой максимальной массы. 3) Значение может быть ограничено программным обеспечением автомобиля. 4) Для автомобилей, предназначенных для перевозки опасных грузов. 5) Контрольный расход топлива, измерен в соответствии с ГОСТ Р 54810-2011 для транспортного средства полной массы при движении с постоянной скоростью на специальном измерительном участке, служит для определения технического состояния автомобиля (автопоезда) и не является эксплуатационной нормой. 6) С двигателями КАМАЗ. 7) С двигателями Cummins. 8) Запас хода по контрольному расходу топлива определяется расчетным путем и зависит от вместимости топливных баков, в таблице указан для баков общей емкостью 420 л. 9) С колесной базой 3340 мм. 10) С колесной базой 3690 мм. 11) С колесной базой 4100 мм. 12) Применяемость топливных баков определяется комплектацией автомобиля. |
Стоимость и модификации
Мы уже говорили о том, что в 2001 году с конвейера сошел последний «КАмАЗ». Между тем, эта модель достаточно активно продается на вторичном рынке. Цена на нее зависит от пробега и года выпуска, может колебаться от 150 000 до 500 000 рублей. Также есть возможность взять в аренду КамАЗ-5320. За каждый час эксплуатации будет необходимо оплатить 900 – 1 500 рублей.

Уже в 1984 году создали прототип, и была разработана общая концепция производства газодизеля на платформе дизельной машины. В следующем, 85-м году, проводились испытательные заезды, какие дали понять, что, применяя газодизельный метод, улучшается экономность топлива, дымность и степень шумности мотора.
Уже спустя 3 года, в 1987 году, в г. Набережные Челны был запущен выпуск грузовиков КамАЗ-53208 и КамАЗ-5312 с моторами на газодизельной системе. Мощность мотора составляла 210 л. с. Газодизельное шасси с платформой 3190 мм обладало значением КамАЗ-53217.
| КамАЗ-532007 | вариант грузовой машины для тропиков КамАЗ-5320. |
| КамАЗ-53201 | производство для широких использований типа топливовоза, пожарной машины, авто-бетономешалок, автомобилей для дорожно-уборочных и коммунальных служб, а также НефАЗ при строении самосвала для сельского хозяйства КамАЗ-55102. |
| Шасси КамАЗ-53201 | с мотором от 7403.10 обладало наименованием КамАЗ-53211. |
| КамАЗ-53202 | Одновременно с описываемым КамАЗом проходил испытательное вождение и производился в скромном числе бортовой грузовик с выросшими до 3690 мм базой колес и длиной – 6100 мм. Он мог перевозить все те же 8 000 кг. Уже в 1980 году его сменил КамАЗ-53212, который перевозил уже 10 тонн. Шасси автомобиля КамАЗ-53202 обладало значением КамАЗ-53203. |
| КамАЗ-53208 | Середина 80-х годов обозначилась тем, что вместе с Научным автомобильным и моторным институтом (НАМИ) и участием Камского и Ярославского заводов, придумали производительную вариацию применения газов в дизельных агрегатах – функцию ГД-НАМИ (газодизельная система). По данной схеме в строение дизельного мотора внесли перечень поправок и преобразований – добавлялся газовый смеситель, функция хранения, управления и впуска газа, функция взаимосвязанного регулирования рейкой насоса, отвечающего за подачу солярки, и газовый редуктор. Более того, свое место нашла функция предохранения мотора от перегрузок и аварии, если перестанет функционировать система подачи топлива. |
Назначение
КАМАЗовские бортовые автомобили всегда отличались своей универсальностью. Еще первые модификации КАМАЗ 5320 предназначались как для обеспечения перевозок в промышленности и сельском хозяйстве, так и в множестве других сфер, включая армейское использование. Бортовая платформа и шасси КАМАЗ 53215 используются в нефте- и газодобыче, различных видах строительства, в промышленном производстве, в лесозаготовительной отрасли, а также для обеспечения деятельности экстренных служб. В сельском хозяйстве КАМАЗ 53215 удобен как тягач-зерновоз для работы с прицепом. Автомобиль успешно используется на внутрирегиональных маршрутах, а также на междугородних и межрегиональных трассах общего назначения.
На универсальное шасси КАМАЗ 53215 устанавливаются коммунальные машины, автокраны, краны-манипуляторы, буры, различные виды фургонов, автомобильные цистерны и другое оборудование. Установленная оснастка в конечном счете и определяет назначение автомобиля. В случае необходимости шасси КАМАЗ 53215 можно переоборудовать с минимальным количеством изменений конструкции самой машины. Список устанавливаемого оборудования достаточно широк и включает в себя как отечественные агрегаты, так и их зарубежные аналоги.
Использование КамАЗа в армейских подразделениях
КамАЗы с момента поступления на производство поступали и в соединения Вооружённых сил СССР.
Основными отличиями армейской модификации КамАЗа от гражданской линейки было: усиленная конструкция, бампер изменённой формы, обязательное наличие системы регулирования давления в шинах. Были и другие отличия, не столь значительные. Сфера же применения машин в армии была достаточно широка:
- транспортное средство для перевозки объёмных грузов и личного состава;
- использование в качестве платформы для установки различного радиооборудования: КШМ, командные пункты управления пусками и мобильные станции для выполнения других задач;
- бронированные автомобили для транспортировки личного состава на театре военных действий, этот вид автомобиля серийно не выпускался, бронирование навешивалось на базовую модель;
- автомашины для сопровождения колонн, «ган-траки» с вооружением ЗУ-23-3.
О «ган-траках» стоит рассказать чуть подробнее, эти автомашины изначально имели своей задачей сопровождение колонн при проводке их в горах Афганистана. В кузове машины устанавливалась зенитная установка ЗПУ-4 или ЗУ-23-2.
Эти установки обладали возможностью кругового обстрела, имели зенитный угол возвышения и мощные патроны, их снаряды и пули могли достать противника на большой дальности и высоте. Что позволило эффективно бороться с засадами на дороге.
Сама установка ЗУ прикрывалась дверьми от БМП или другими подручными средствами, задачей которых была защита расчёта установки, хотя она и была минимальная. Впоследствии производство подобных средств поддержки было приостановлено.
Бронированные «Уралы» и «КамАЗы» появившиеся во время Кавказских войн и получившие прозвище «покемоны» также продукт кустарного производства, в серии таких машин практически нет. Хотя и доказана их высокая эффективность в эксплуатации.















































